- VIDEO
- FOTO
- OPTIKA
- PRO OBCHOD A E-SHOP
- MALÍŘSKÉ POTŘEBY
- Hudební stojany, stativy
- Domáctnost a chovatelské potřeby
- Plastové a kovové komponenty
Novinky
Zobrazit všechny novinkyNepropásněte novinky, akce a slevy!
Můžete se kdykoli odhlásit. Zasíláme jednou za 14 dní.
- Úvod
- Záslepky
- Záslepky se závitem
- Záslepka, krytka, zátka 25mm Kulatá záslepka s vnitřním závitem
Záslepka, krytka, zátka 25mm Kulatá záslepka s vnitřním závitem
- Kompletní specifikace
- Hodnocení 0
- Komentáře 0
Záslepka, krytka, zátka 25mm Kulatá záslepka s vnitřním závitemSkladem3 Kč/ ks2 Kč bez DPH
Kompletní specifikace
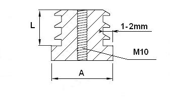
Průměr 25mm, závit M10
Minimální objednávka 4ks
INDIVIDUÁLNÍ CENY PRO VĚTŠÍ OBJEMY.
INDIVIDUÁLNÍ CENY PRO DALŠÍ PRODEJCE.
VEŠKERÉ VÝROBKY Z NAŠICH VLASTNÍCH FOREM.
Popis:
Záslepka Kulatá se závitem M10
Materiál: HDPE
Povrch: Matný
Barva: Černá
Zboží zařazeno v kategoriích





